OK, I made an image you can follow step by step. I am not sure if you are using same X-CTU though. If you see same interface in this image, it will help.
Connect and power on your safe Xbee to USB. Check the firmware name and keep memo. Update it to coordinator if it was not coordinator. Make sure it has same PAN ID with the troubling Xbee. And power on the troubling Xbee.
1.Press “Remote Configration”. It will open a sub window titled “Network”.
2.Press “Open Com Port”. Sometimes it takes a while to open. When it succeeded in opening, the menu “Open Com Port” turns to “Close Com Port” so don’t press it twice.
3.Press “Discover”. It will show your direct connected Xbee in first line. If you could see one more address in second line, that is it. That is the remote module. If you couldn’t see that, press “Discover” again. Then follow next step.
4.Click on that remote module address. The line color will change.
5.Press “Read” in X-CTU main window. It will take 4 times longer to complete reading remote. The module address will show a progress bar. Don’t touch anyting until the bar reaches the end. Press wake switch if troubling Xbee sleeps. Don’t press reset. And be careful that X-CTU will show a change in screen in half of progress but it’s not the completion. Keep wait until the progress bar finishes. Then complete setting of remote module will be shown in the main window.
If you could succeed in above pocedure, you can also update new firmware to the remote module like the direct connected module. Update the firmware to the one your safe Xbee has, that will return to the factory setting, or to the ROUTER not ROUTER/END. Updating will take a long long time. Be careful the progress bar goes counter direction from the finishing end when updating. Keep watching the progress bar. Press wake switch if your troubling Xbee sleeps. Don’t press reset.
And be careful that when you update remote to be a “coordinator”, it will be unaccessible since coordinators can not talk to each other even though X-CTU keeps showing it in the line. If that, it’s recovered and you can directly connect it to your PC’s usb happily.
Don’t forget to “close com port” when you leave the remote configration. It will trouble other case.
Hope it covers the thing.
Regards,
Andy
Thank you very much!
I had successfully done all 5 points (pic.)
But when I try to write new program (ROUTER) to troubling Xbee programing was too quick about 9 sec. I try again reader troubling Xbee and still was set as ZIGBEE ROUTER/END DEVICES SENSOR. I despair of that. 
Hi I successfully update remotely Sensor XBEE to ZIGBEE ROUTER AT. But now I have another prolems
. When clik on “Test / Query” after 2min I can see this . And is not possible read or write Xbee. Also in Remote Configuration I´cant find wrong XBEE . Is some other way how to program Xbee to factory settings??
hi,
I also used the same situation and tried.
Yes, surely recovery from remote configuration was not completed.
Then, when the recovery procedure of the usual firmware was followed, router was able to be recovered safely.
Although it applies to the procedure of this link correspondingly fundamentally,
http://www.digi.com/support/kbase/kbaseresultdetl?id=2103
“Modem type” is choosed as “XBP24-ZB”, and “Function set” is choosed as “ZIGBEE ROUTER AT”, and clicks a “Show Default” button.
Moreover, “Always update firmware” is checked.
If it writes, recovery of firmware will start, but reset is required twice on the way.
Please reset, when reset is required first.
If it does so, the writing of firmware will start.
Even if it resets the 2nd time, there is no reaction, but I think that a response will return if it moves to "Pc setting"tab, a communications protocol is set up and a “Test/Query” button is pushed.
Although it applies to the procedure of this link correspondingly fundamentally,
http://www.digi.com/support/kbase/kbaseresultdetl?id=2103
“Modem type” is choosed as “XBP24-ZB”, and “Function set” is choosed as “ZIGBEE ROUTER AT”, and clicks a “Show Default” button.
Moreover, “Always update firmware” is checked.
If it writes, recovery of firmware will start, but reset is required twice on the way.
Please reset, when reset is required first.
If it does so, the writing of firmware will start.
Even if it resets the 2nd time, there is no reaction, but I think that a response will return if it moves to "Pc setting"tab, a communications protocol is set up and a “Test/Query” button is pushed.
in modem configuration tab,did you try above procedure ?.
Hi I successfully update remotely Sensor XBEE to ZIGBEE ROUTER AT. But now I have another prolems
. When clik on “Test / Query” after 2min I can see this . And is not possible read or write Xbee. Also in Remote Configuration I´cant find wrong XBEE . Is some other way how to program Xbee to factory settings??
Hey, it shows your coordinator is set to “API”. Weren’t you trying “AT”???
And does your safe Xbee have XBP24-ZB firmware? If so, set your safe Xbee to XBP24-ZB ZIGBEE COORDINATOR AT. And set other Xbee to XBP24-ZB ZIGBEE ROUTER AT. That’s the way to start with.
Don’t you put any microcontroller sharing the DIN line of Xbee? If so, it might be eating the signal. Show me your programmer circuit, free hand rough sletch is fine. Or try making a simple programmer board only with Xbee.
I also had similar troubles before. I appreciate your perseverance. You are still in good way to play with it.
For my reference, how cold is the place your Xbees are? in celsius?
Regards,
Andy
Since it wrote that this dialog should reset XBee and was, did it reset, when this dialog came out?
Since it wrote that this dialog should reset XBee and was, did it reset, when this dialog came out?
Yes I try all what is there written and nothing working.
Ooops, it needed to enable firmware updates in network settings dialogue window. See the image.
But if it was DIN line trouble, simplifying the programmer circuit may solve and you can update directly then.
Ooops, it needed to enable firmware updates in network settings dialogue window. See the image.
www
I did not notice, either.
Hi,
I had a lot of work to school. Now I´m back. My problem still survived.
What´s wrong?:
- I´m not able to Read or Writte wrong XBEE.
- remote config. now not working (coordinator is not able to find wrong XBEE) - I try set API and AT also. (MCU don´t share the DIN line of Xbee ) -celzius normal (good XBEE is hottest)
- this recover not working for me: http://www.digi.com/support/kbase/kbaseresultdetl?id=3203
I´think problem is in SW of XBEE but I´m not able to flash ROM. Is possible help me solve problems? 
Many thanks for help!
Can you show us your programmer circuit?
This com test responce tells something wrong in DIN/DOUT:
https://lh5.googleusercontent.com/-RT2BZ6zJJnU/Ty2O_b0WCkI/AAAAAAAACX4/kL9sJowl2k8/s512/necs.jpg
And I am sorry about the check mark of enabling firmware update. Unfortunately, X-CTU allows uploading parameters even when other function set is selected, that’s too bad.
I suppose remote-updated Xbee has some other PAN ID now. I could see that you have used the PAN ID red lined in the image. Could it be in it now?
Regards,
Andy
I repeated your situation and I easily save from non-answering Xbee by direct connection.
It will look like the image. Check always update. Set serial connections as shown in bottom line, COM7 is my situation. Write. Then it says “found bootloader” and goes good.
If you can not do it, there is something wrong in your circuit.
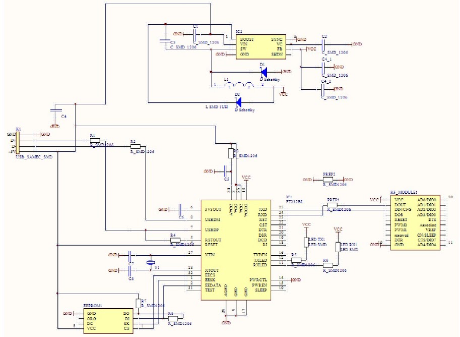
this is my programmer circuit:
But I think problem is not in programmer becouse other good Xbee work well with X-CTU.
direct connection not work with wrong Xbee (reset and commissioning buttons not help ).
I suppose remote-updated Xbee has some other PAN ID now. I could see that you have used the PAN ID red lined in the image. Could it be in it now?
I use only default PAN ID.
Are not DTR and RTS connected?
Are not DTR and RTS connected?
I have only basic connection DIN, DOUT. But I have added Commissioning and Reset buttons (and two leds).
konbanwa,
Since X-CTU operates DTR to update of firmware, and recovery, they have the necessity of also connecting DTR and RTS.
Read “Recommended Pin Connections” of product manual.
Good evening
I´m waiting for new programmer with full connection.
I will wrote there if that help me solve problem.
One more time Thank you
I am sorry, it says;
Serial firmware updates make use of the XBee custom bootloader which ships in all units. This modified
bootloader is based on Ember’s standalone bootloader, but with a modified entry mechanism. The modified
entry mechanism uses module pins 3, 9, and 16 (DIN, DTR, and RTS respectively).
I should follow Chobichan’s opinion from the beginning.